十大正规的赌网正版农业农村局 十大正规的赌网正版发展和改革委员会 十大正规的赌网正版财政局
关于加力扩围实施2025年农业机械报废更新补贴政策的通知
烟农〔2025〕70号
各区市农业农村局、发展和改革局、财政局:
为全面贯彻落实《山东省农业农村厅 山东省发展和改革委员会 山东省财政厅 山东省粮食和物资储备局关于加力扩围实施2025年农业机械报废更新补贴政策的通知》(鲁农机字〔2025〕7号)和《十大正规的赌网正版发展和改革委员会 十大正规的赌网正版财政局关于印发<十大正规的赌网正版2025年加力扩围实施大规模设备更新和消费品以旧换新工作方案>的通知》(烟发改环资〔2025〕112号)要求,在持续实施《十大正规的赌网正版农业农村局 十大正规的赌网正版财政局关于印发<十大正规的赌网正版农业机械报废更新补贴实施方案>的通知》(烟农〔2024〕176号,以下简称《通知》)政策基础上,进一步扩大报废补贴范围,提高部分机具补贴标准,持续推进全市大规模农业机械报废更新,促进农机装备升级换代,现就做好2025年相关工作通知如下。
一、扩大报废补贴范围
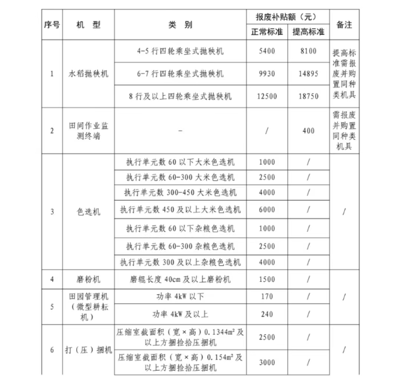
在《通知》规定的拖拉机、播种机、联合收割机、水稻插秧机、农用北斗辅助驾驶系统、机动喷雾(粉)机、机动脱粒机、饲料(草)粉碎机、铡草机、旋耕机、秸秆粉碎还田机、犁、深松机、植保无人驾驶航空器、谷物(粮食)烘干机15个农业机械报废机具种类基础上,将水稻抛秧机、田间作业监测终端、色选机、磨粉机、田园管理机(微型耕耘机)、打(压)捆机、茶叶揉捻机、大蒜收获机、花生摘果机、农用水泵、薯类收获机、青(黄)饲料收获机等12个农业机械报废机具种类纳入报废更新补贴范围。上述所列报废机具种类均应符合NY/T 1640-2021《农业机械分类》所属品目。
二、提高报废补贴标准
报废水稻抛秧机并新购置同种类机具,按报废补贴额50%提高报废补贴标准,单台最高报废补贴额不超过3万元。报废并更新购置采棉机,单台最高报废补贴额由6万元提高到8万元。报废并更新农用北斗辅助驾驶系统,在《通知》确定的补贴额基础上,按50%提高报废补贴标准;报废并更新田间作业监测终端、植保无人驾驶航空器,按50%提高报废补贴标准。申请田间作业监测终端、农用北斗辅助驾驶系统、植保无人驾驶航空器的报废补贴要以购置同类新设备为前提。
三、完善报废补贴流程
(一)田间作业监测终端、农用北斗辅助驾驶系统、植保无人驾驶航空器的报废农机回收拆解企业,县级农业农村部门可根据实际进行单独审查,经与主要生产企业沟通,由其授权经销商及维修企业负责回收拆解,可适当放宽审查条件,报市级农业农村部门备案并向社会公布。
(二)田间作业监测终端、农用北斗辅助驾驶系统、植保无人驾驶航空器的报废农机拆解企业应对具有数据存载功能的电子设备实施破坏性处理,重点对农用北斗辅助驾驶系统的显控集成终端、智能天线终端、北斗板卡、PCBA及模块,植保无人驾驶航空器的航电板、显控集成终端、雷达等关键部件进行破坏拆解(电池可不强制回收)。
(三)以更新为前提的农机报废补贴申请要符合国家有关规定要求,不限制报废台数。
四、加强资金使用管理
要管好用好支持农业机械报废更新的超长期特别国债资金,支持老旧农业机械报废补贴和报废并购置同种类机具更新补贴兑付,以及田间作业监测终端、农用北斗辅助驾驶系统、植保无人驾驶航空器新购置补贴兑付。要进一步优化补贴申请和资金兑付流程,增加结算批次,加快补贴兑付,年底前将符合条件的补贴申请及时完成录入和兑付(各区市可结合实际,综合考虑报废补贴操作流程,将申请结束时间提前,确保年底前完成兑付)。
五、强化监督管理
各级农业农村部门要立足便民利民和提高效率,进一步加强农机报废回收拆解体系建设,加快农机回收拆解企业培育和网点布局;创新农机报废回收拆解工作机制,鼓励根据实际将回收环节和拆解环节分开,探索提升补贴资金兑付效率新路径。要强化政策实施监管和风险防范,紧盯机具回收、机具核验、报废拆解、资金兑付等关键环节,严厉打击信息造假、以小充大报废、一机多地报废、单机多次报废、废件拼机报废等骗补套补行为。要加大政策宣传和解读,切实提升政策知晓度和实施透明度。要加强跟踪评估,加大监督检查力度,发现问题及时反馈及时处理,适时总结推广先进经验和典型做法。
《通知》中明确的按照发改环资〔2024〕1104号文件增加的报废补贴机具范围和提高报废补贴标准政策实施期限延长至2025年12月31日,本通知明确的扩大报废补贴范围和提高报废补贴标准实施期限为2025年1月1日至12月31日,如有变动将另行通知。请于2025年12月15日前,将本区市安排超长期特别国债资金支持农业机械报废更新补贴的政策实施情况(含资金安排数、申请录入数、实际兑付数、报废更新台套数等),报送市农业农村局农机化管理科。
附件:1.2025年山东省变更2024年农业机械报废补贴额一览表
2.2025年山东省新增农业机械报废补贴额一览表
十大正规的赌网正版农业农村局 十大正规的赌网正版发展和改革委员会 十大正规的赌网正版财政局
2025年6月11日
(此件公开发布)
附件1
2025年山东省变更2024年农业机械报废补贴额一览表
附件2
2025年山东省新增农业机械报废补贴额一览表





下载